浏览数量: 65 作者: 本站编辑 发布时间: 2025-04-14 来源: 本站

目前车内主动噪声控制技术主要针对于发动机噪声和道路噪声,为了尽可能提高车内主动降噪系统的控制效果和控制频段,需要将误差传感器布置在人耳处但是这往往受到实车布置条件的制约。为了实现乘员对主动降噪系统最大的听觉感知,这就需要采用虚拟探测技术对双耳位置处的声压进行估计,同时将估计值输入到控制系统中,此时虚拟探测技术的探测方案、精度、鲁棒性就至关重要。近年来,世特仑科技围绕虚拟传声器技术开展一系列研究,取得相应丰富成果。
一、 虚拟探测的必要性
首先纠正一个误区:在NVH领域经常会听到一个概念,车内主动降噪麦克风离人耳的位置是需要保证控制频率波长的1/10,其实这个是非常不严谨的。实际上,这个是在单一扩散场中一个次级声源来控制一个误差传声器处声压的情况为例。也就是说在扩散场中,理论上能达到10 dB衰减的降噪区域球半径为噪声源波长的1/10。图一可以表明不同麦克风布置位置不同频率下的降噪空间效果。但是汽车内饰复杂又伴有吸音材料不是传统意义上的扩散场,同时车载ANC都是多输入多输出(MIMO)系统,相关效果又是由参考信号(转速、振动信号等)相关性因果性共同决定的,所以无法直接用波长的1/10理论来判定麦克风的布置距离。



图1 不同布置位置、频率下的降噪空间展示
但是为了给乘客带来更大的降噪感知,误差传声器的位置要布置在乘员双耳附近,但是由于车内实际布置的限制,误差传声器布置点往往和人双耳具有一定的距离,此时利用虚拟探测技术对人双耳处声压进行虚拟探测解决这个问题。
二、 虚拟探测的方案举例
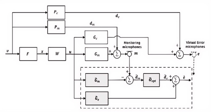
虚拟探测方案需要针对控制方式(EOC、RNC、反馈)、控制性能要求、算力要求、鲁棒性要求进行综合选择和创新设计,下面列举目前常见的三种虚拟传感器方法。
1)虚拟传声器布置技术(Virtual Microphone Arrangement (VMA))
假设观测和虚拟传声器原始噪声相同算力小,无需映射阶段,低频段覆盖(< 300 Hz)。

2)远程传声器技术(Remote Microphone technology (RMT))
观测和虚拟传声器原始噪声之间需要通过最优观测滤波器矩阵进行映射,算力稍大,需要前期映射阶段,频段覆 盖提升(<500 Hz),鲁棒性高,稳定性强,探测精度高,主要针对于宽频噪声的映射。

3)虚拟传声器控制技术(Virtual Microphone Control (VMC))
在映射阶段加入记忆滤波器来记录,在控制阶段将滤波器系数保存,适合参考信号变化不大的控制类型,操作相对复杂,但是所需算力小,控制精度较高。

三、 虚拟探测的效果展示
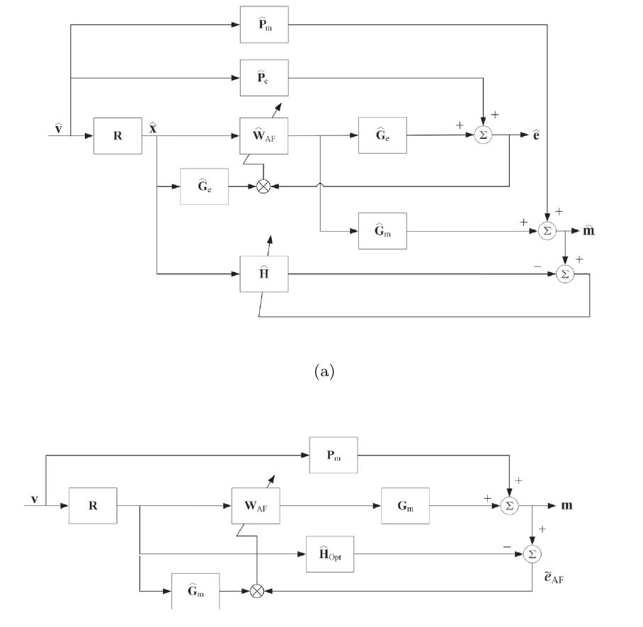
世特仑科技利用自研的虚拟传声器技术方案,以全局路噪主动控制(RNC)为例(12 refs,5spks,4mics),按照映射个数的不同,分为一对一映射(映射头枕中央或者眉心)、一对二映射(映射双耳),布置示意图为图2所示,相关控制的优化如图3所示。

(a)一对一映射,算力 400MIPS (b)一对二映射,算力 800MIPS

图2 虚拟映射性能提示示意图
四、 研发成果
目前世特仑科技基于自研的虚拟传声器技术,相比于传统的虚拟映射算法,在映射的精度,深度,鲁棒性上得到了提升,尤其是将反馈算法与虚拟传声器技术的结合、EOC算法与虚拟传声器的结合的应用后,得到了显著的效果。公司已开发多辆样车,申报发明专利1项,在声振期刊《Applied Acoustic》发表SCI论文一篇,撰写博士论文一篇,对虚拟传声器的布置、因果性等关键影响因素进行了全方面的研究。未来公司将以虚拟传声器技术助力主动降噪方案,提升客户体验,持续为传统燃油车、混动汽车、纯电动车提供最优化定制化的主动噪声技术方案。
浙江世特仑科技有限公司专注智能座舱的智能声学控制(发声、主动降噪、声场分区,声场复现等)及智能座舱人员实用性产品开发。
公司与浙江大学、武汉工程大学等单位达成战略合作,在智能座舱声学的声场开发、降噪、声场分区及人员舒适性等多方面进行前沿技术研究和产业化开发。
世特仑拥有2个专业研发团队——1个研发中心(市级),一个联合研发中心(浙江大学合作)。建立自设计生产线若干条,能够实现在线自动烧录、自动检测功能,年产能100万套;拥有完整的控制器类生产链车间(SMT、组装、测试等)。